| Bus bar 1 in mm | 120x90 |
| Bus bar 2 in mm | |
| Round conductor in mm | 90 |
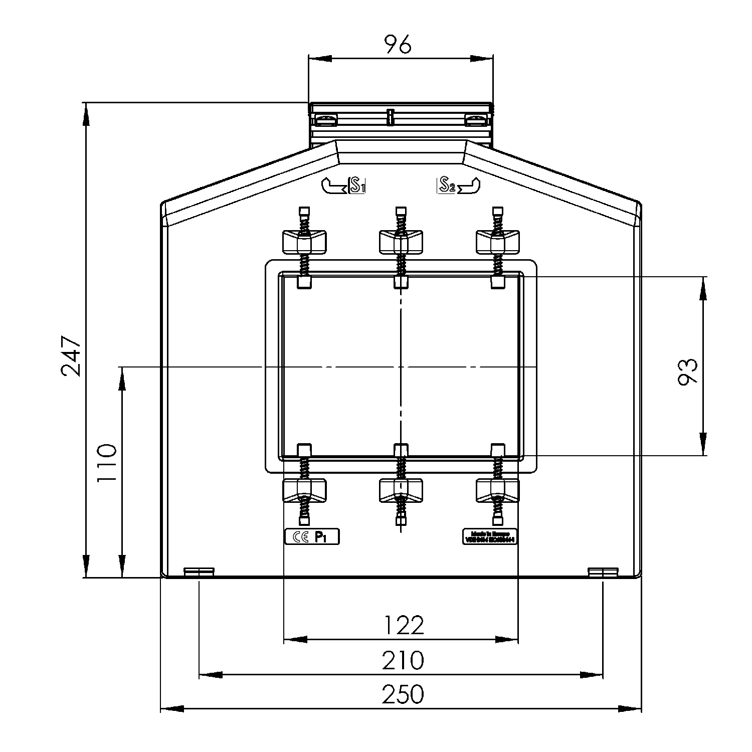
| Width in mm | 250 |
| Height in mm | 250 |
| Depth in mm | 118 |
| Snap-on mounting | |
| Sealed shutters | 59042 |
| Sealed shutters 2 |
| Primary Current | 1000, 1200, 1250, 1500, 1600, 1800, 2000, 2500, 3000, 3200, 3500, 4000, 4500, 5000, 6000, 6300, 6500, 7000, 7500 |
|---|---|
| Secondary Current | |
| Burden (VA) | |
| Accuracy Class |
- Therm. nominal continuous current Icth: 1,0 x Ipr
- Therm. nominal short-time current Ith: 60 x Ipr, 1 Sek.
- Max. operating voltage Um: 0,72 kV
- Isolation test voltage: 3 kV, Ueff, 50 Hz, 1 Min.
- Nominal rated frequency: 50/60 Hz
- Isolation class: E



