NH 6.3

NH 6.3

Bus bar 1 in mm 32x6
Bus bar 2 in mm
Round conductor in mm
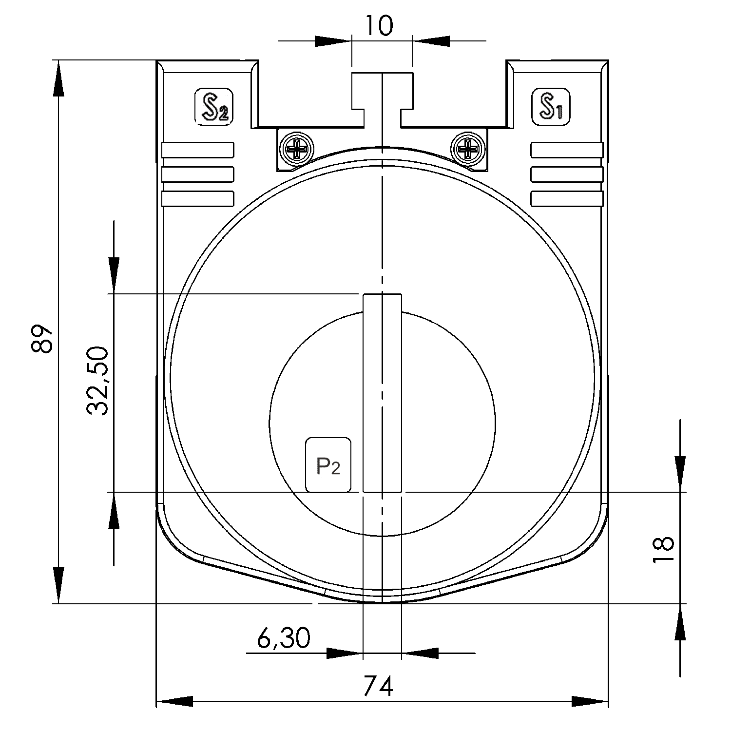
Width in mm 74
Height in mm 89
Depth in mm 23,6
Snap-on mounting
Sealed shutters
Sealed shutters 2
Primary Current

, , , , , ,

Secondary Current

,

Burden (VA)

, , , ,

Accuracy Class

  • Therm. nominal continuous current Icth: 1,0 x Ipr
  • Therm. nominal short-time current Ith: 60 x Ipr, 1 Sek.
  • Max. operating voltage Um: 0,72 kV
  • Isolation test voltage: 3 kV, Ueff, 50 Hz, 1 Min.
  • Nominal rated frequency: 50 Hz
  • Isolation class: E